3RP2560-2SW30 – T-REL. YD W. OVERTRAV. FUNC. 3 NÃO – SIEMENS
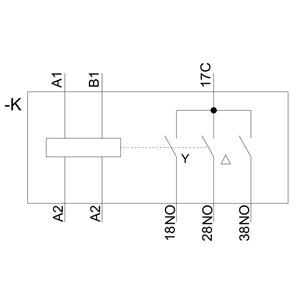
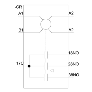
Relé temporizador eletrônico com função estrela-triângulo, tempo de retardo de 1 a 20 segundos e de 30 a 600 segundos. Possui 3 contatos NA (normalmente abertos) com potencial comum, alimentação de 12 a 240 V CA/CC a 50/60 Hz, com LED indicador de atraso (0,85 a 1,1 µs).
Descrição
Informação adicional
| Peso | 164 g |
|---|---|
| Dimensões | 13 × 8 × 12,6 cm |
Apenas clientes conectados que compraram este produto podem deixar uma avaliação.













Avaliações
Não há avaliações ainda.