3UG5716-2CR20 – Monitoramento de rede AC90..690V, 2W Bluetooth – SIEMENS
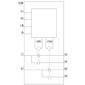
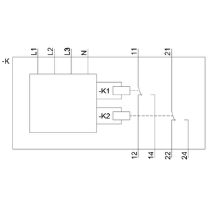
Monitoramento digital de relés para falhas de fase, sequência de fases, assimetria, frequência, sobretensão e subtensão com Bluetooth. 3 contatos reversíveis de 90-690 V CA, 15-70 Hz. 2 contatos reversíveis com terminal de mola.
Descrição
Informação adicional
| Peso | 167 g |
|---|---|
| Dimensões | 13 × 11,1 × 3,8 cm |
Apenas clientes conectados que compraram este produto podem deixar uma avaliação.














Avaliações
Não há avaliações ainda.