GW MQTT/MODBUS 1E/2DB9 – Conversor de interface – PHOENIX CONTACT
R$ 11.011,16
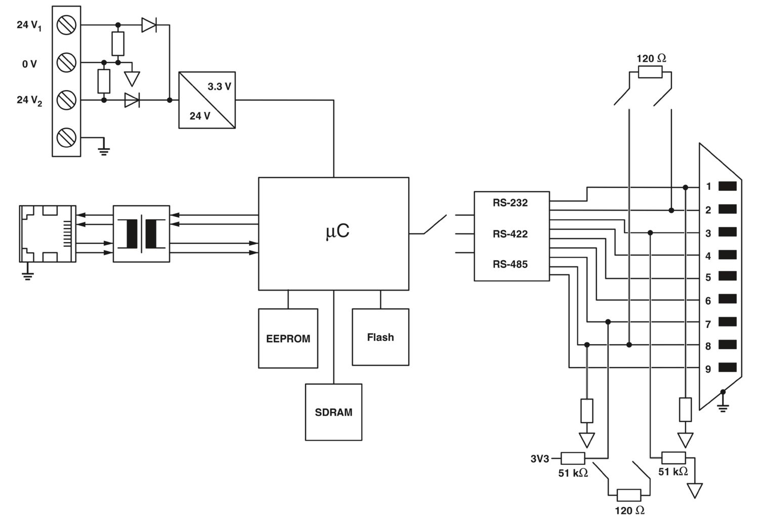
O gateway MQTT/MODBUS… permite a transmissão de dados bidirecional entre dispositivos Modbus seriais ou Ethernet e um MQTT-Broker. Compreende uma porta RJ45 e duas portas D-SUB 9.
Disponível por encomenda
Simulação de frete
Descrição
Informação adicional
| Peso | 183,3 g |
|---|---|
| Dimensões | 13 × 8 × 9,9 cm |
Apenas clientes conectados que compraram este produto podem deixar uma avaliação.










Avaliações
Não há avaliações ainda.