GW PN/ASCII 2E/2DB9 – Conversor de interface – PHOENIX CONTACT
R$ 17.299,83
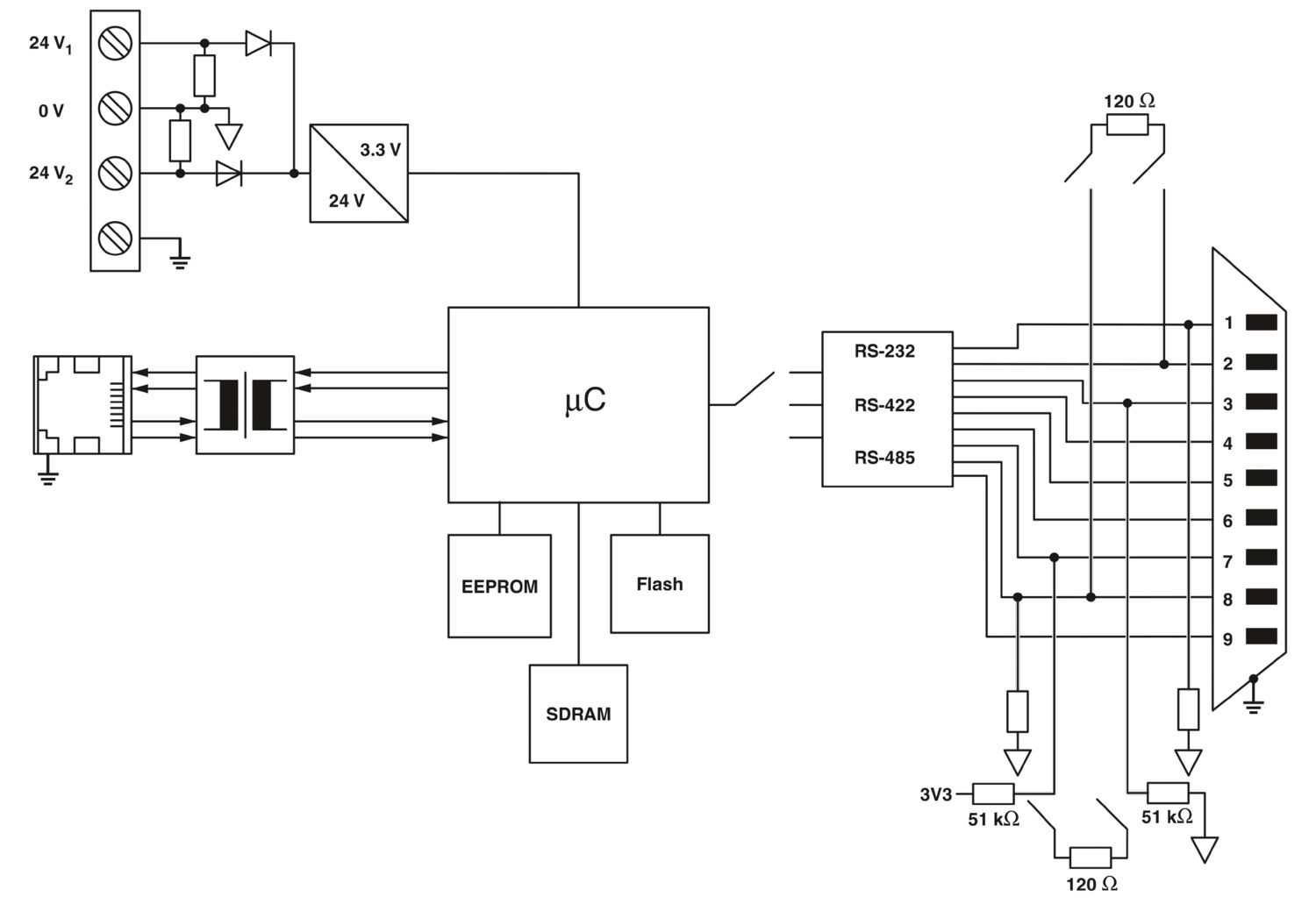
O GW PN/ASCII… converte cadeias seriais RAW ou ASCII em PROFINET. Contém duas portas RJ45 e duas portas D-SUB 9.
Disponível por encomenda
Simulação de frete
Descrição
Informação adicional
| Peso | 217,4 g |
|---|---|
| Dimensões | 13 × 8 × 9,9 cm |
Apenas clientes conectados que compraram este produto podem deixar uma avaliação.











Avaliações
Não há avaliações ainda.