PTCB E1 24DC/4A SI-R – Disjuntor eletrônico de proteção – PHOENIX CONTACT
R$ 598,78
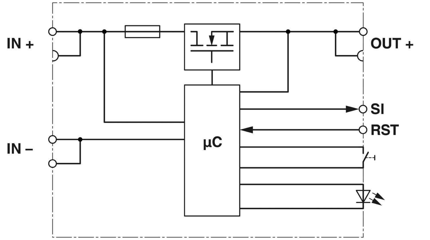
usível eletrônico de 1 canal para proteção de consumidores de 24 V. Distribuição de potencial fácil com réguas de bornes do sistema CLIPLINE complete. Com saída de estado, entrada de reset e intertravamento eletrônico. Para a instalação em trilhos de fixação DIN.
Disponível por encomenda
Simulação de frete
Descrição
Informação adicional
| Peso | 34,2 g |
|---|---|
| Dimensões | 13 × 8 × 10,58 cm |
Apenas clientes conectados que compraram este produto podem deixar uma avaliação.














Avaliações
Não há avaliações ainda.