SCX 4POE 2T – Industrial Ethernet Switch – PHOENIX CONTACT
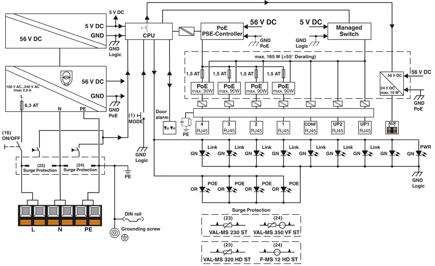
Smart Ethernet Box para conexão de dispositivos finais PoE, quatro portas PoE, duas portas Uplink (RJ45), Switch Gerenciável e proteção contra surto integrada, tensão de alimentação 100 … 240 V AC, montagem em parede ou mastro
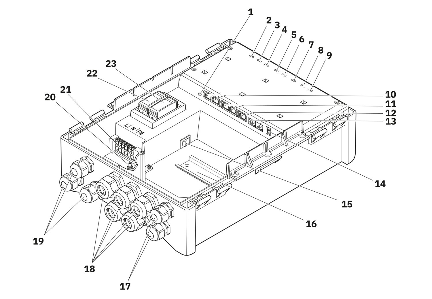
Descrição
Informação adicional
| Peso | 4999 g |
|---|---|
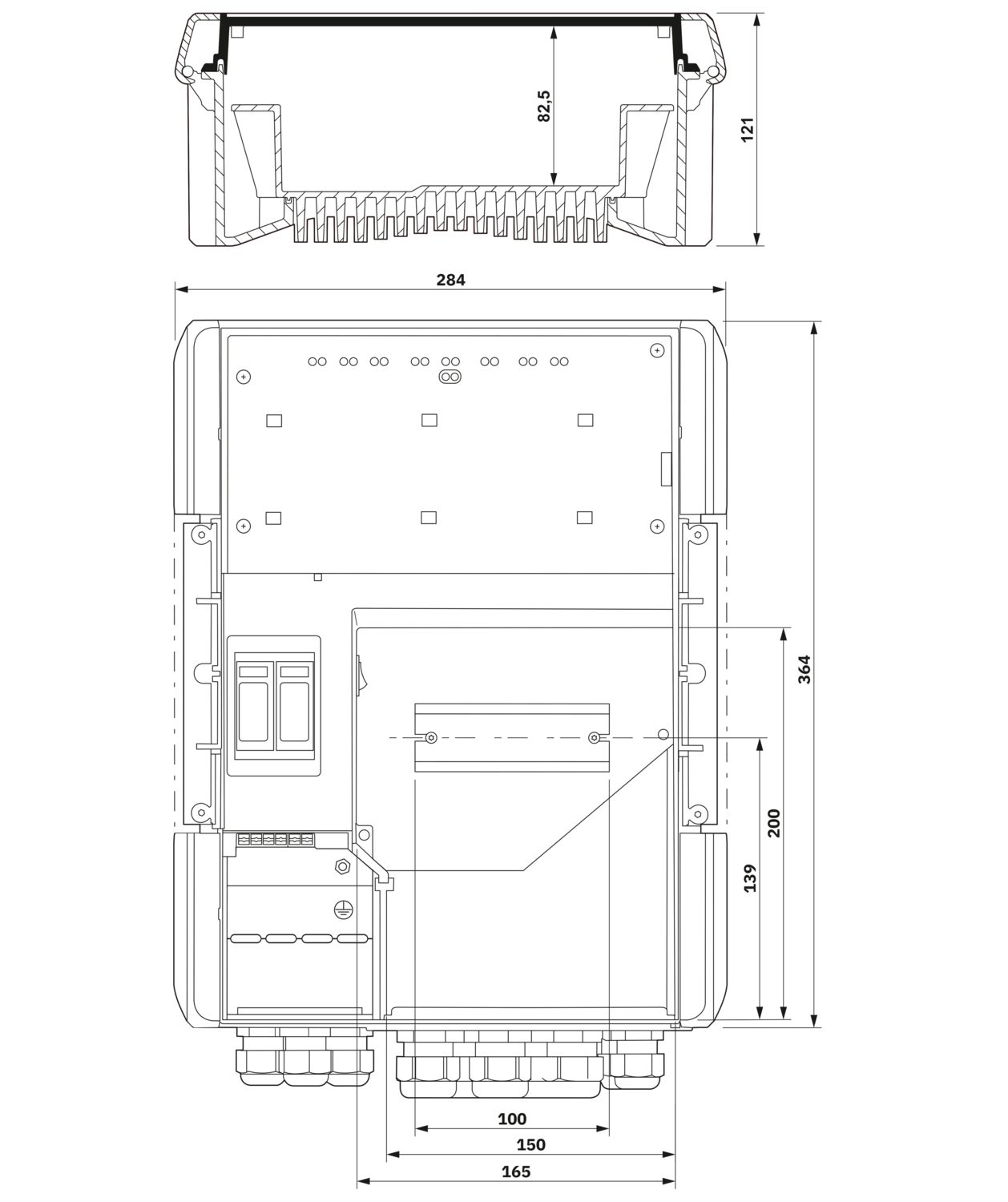
| Dimensões | 13 × 28,4 × 36,4 cm |
Apenas clientes conectados que compraram este produto podem deixar uma avaliação.


























Avaliações
Não há avaliações ainda.